One critical item that’s frequently forgotten in a eletrical plan is the essentiality of the wiring installation and its quality. Simply, if it doesn’t look good, it probably isn’t. And even if it does look great, there are specific object that should be addressed throughout the assembly process to ascertain a quality job that not found problems later on.

Image Result For Minn Kota Parts
Image Result For Minn Kota Parts

Image Result For Minn Kota Parts

Image Result For Minn Kota Parts
Image Result For Minn Kota Parts
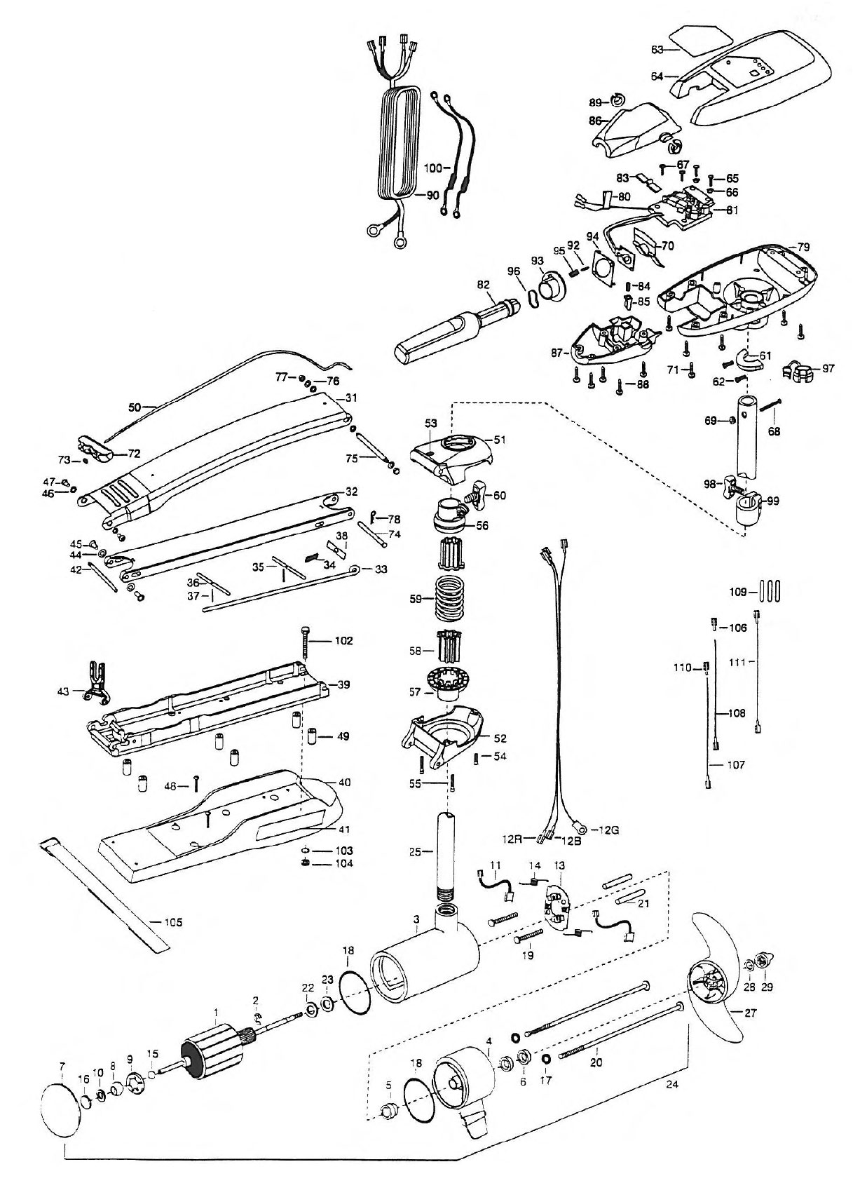
Image Result For Minn Kota Parts Schematic
Image Result For Minn Kota Parts Schematic
Image Result For Minn Kota Parts Schematic
General Information for Minn Kota Parts Schematic
In regard it, the circuits that deliver electricity to the diverse zones are referred to as branch circuits. They originate at a service allocation panel, which has one neuter bus bar and 2 hot bus bars.
Relying on the amount of electricity a given circuit needs to convey, it might attach to only 2 hot bus bars or one hot bus bar and the neuter bus bar. For instance, a circuit that delivers 12 V connects to one hot bus bar and the neutral bus bar, while a circuit that delivers 24 volts connects to both hot bus bars.
The means of attachment is generally known as a circuit breaker or fuse, and it secures the circuit from abrupt surges in influx. Neutral conductors are all grounded through lineal contact with thesoil. Unlike the hot bus bars, a neuter bus bar doesn't have an over-current protection equipment so it can hold zero volts at all times.
Here are several basic method for wiring job that you have to understand:
Why well technique matters
If wires are connected to devices or fixtures haphazardly, the circuit could function for a while. But there is a good chance a wire will work its way loose, Cause danger.
Wiring properly is relatively easy. It needs only an hour or 2 hours to find out how to make connections and splices just as good as those made by expert. In most cases using the right method is easier and faster than doing something the wrong way. For sample, looping a cable over a terminal screw clockwise holds it from sliding out from under the screw head as you tighten the bolt.
Take the right tools
Prior to starting electrical job, gather a basic set of tools designed for wiring. When you try to peeling cables using a knife rather than using a stripper, you probably will notch the cuprum and weaken the cable. Twisting wires together using a set of household slip-joint pliers is hard, & baggy connection might come apart. Lineman's pliers help you join a wires to make professional-quality connections conveniently.
Safety First
Wiring work is safe when you always obey the most important safety regulation: Turn off power and test to make sure power is off before you begin the job. Review all safety rules before starting any wiring job.
Below are tips you can apply and help you in Minn Kota Parts Schematic
- Begins With the Proper Tools
Before you begin any wiring installation, it is important to make sure that you have put the right tools and materials together. Whether you're installing a head unit or any another electronic instrument. - Protection is important
No matter how well a wire's isolation is, it doesn't stand a chance if it's installed badly. Professionals try hard to tie up wires and keep them from their environment. A some minutes of securing them can prevent hours of repairing a breakdown system later on. - Do not overload switches
Switches do have their limits load. Like the fuses and cables in a system, it can hold just so much current before it collapse. - Terminals aren't only sized by hole or opening size, but also by wire sized. A properly sized terminal/wire composite, when crimped properly, will result in a very dependable connection.
- Be careful in choosing your connectors
- Be sure the switch you are choosing is enough for the load size
- Avoid wires away from shifting objects, such as clutch pedals and brake (such in a car)
- Remove cable from the Accumulator (for Wiring Installation in a Car)
One of the most important tips for any installation job is to disconnect the accumulator before you get started. The only moment the accumulator must be connected is when you’re checking cables to verify that they have ground or power, or when you are testing your new device before you button everything up. Letting the battery connected while you’re wiring in new electronics may result in damage to either the new tool or another device inside your car, so s a good idea to only disconnect the negative accumulator cable. - Test the When you have a wiring diagram, you could use diagram to help find the cables that you require to connect your new tool. However, it is always a nice point to utilize a DMM(Digital Multimeter) to check that you have the correct wires. With a DMM, you could check polarity of the circuit and verify that the correct voltage is exist.
- Test Wires before touching
When you have finished much cabling, it's easy to get satisfied about whether the power is off. But don't. Use a noncontact voltage detector to check every cable in the area in which you're working. Keep check the tester on a cable or cord you know is live to ensure it is working before you rely on it. - Pack electrical boxes cleanly (House wiring)
When you've finished a lot of wiring, we're sure you've had moments when you could barely push the switch into the box because there were to many wires. The solution is to set the cables neatly and then kilt them carefully into the box. - Take butt connectors or solder
- Isolate your wire connections
Heat shrink is the best way to isolate wire connections, but you must remember to cut the tubing and slide it over the cables before you connect them. Wiring tape will also get the work done, but you've to make sure to use a high quality product for the tape.
0 Response to "Minn Kota Parts Schematic"
Post a Comment